ESP8266 チップを使った WiFiモジュールの ESP-12 を触ってみました。
面白いことに、このモジュール単体でGPIOがあり、ArduinoIDEでプログラムを書き込みできてしまうという点です。
まずは、ハードウェアのHelloWorldであるLED点滅をやってみました。

モジュールはこんな感じでちっこいです。3.3Vで動作します。ブレッドボードに刺さらない2mmピッチなので下駄を履かせています。 基盤のしたにジャンパーを伸ばしてやらないと配線できませぬ。

そのうち、オフィシャルのArduinoIDE にも入るかと思いますが、以下からESP8266 をサポートしたIDEをゲットします。
esp8266/Arduino · GitHub

ボードにESP8266 が入っています。

書き込み装置には、esptool が入っています。

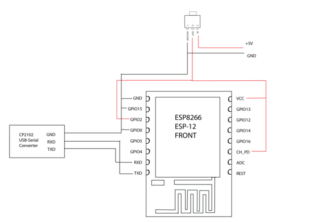
配線は以下のようにします。上にあるのは、5V to 3V のレギュレーターです。書き込みするときは、GPIO0 をGND に落としてやります。

コードはダブルブリンクを以下のようにしてみました。
/*
ESP8266 Double Blink Sample.
Arduino-compatible IDE with ESP8266
arduino-1.6.1-macosx-java-latest-signed.zip
https://github.com/esp8266/Arduino
JunkHack 2015.05.08
*/
void setup() {
pinMode(0, OUTPUT);
}
void loop() {
digitalWrite(0, HIGH);
delay(400);
digitalWrite(0, LOW);
delay(100);
digitalWrite(0, HIGH);
delay(500);
digitalWrite(0, LOW);
delay(1000);
}
IDE から書き込みすると以下のようになります。

とりあえず、書き込み方法はわかりました。
映像は以下をどうぞ。
[youtube https://www.youtube.com/watch?v=9TUboOLnz6A]
次回は、WiFi でコネクションする何かをやりたいですね。
面白いことに、透過モードにするファームウェアもあるので試してみたいですね。
ESP8266-transparent-bridge
https://github.com/beckdac/ESP8266-transparent-bridge
nWorld ESP8266で透過モードを使ってみた。
ピンバック: Information of ESP8266 随時追加 | macsbug
ピンバック: 初めてのIoTデバイス完成 | junkhack